Cartridge Valves

Comatrol's compact, cost-effective cartridge valves combine easily to form almost any hydraulic circuit. Bringing directional, pressure or flow control to your vehicles' hydraulic systems, they point the way to unlimited design flexibility.

To get more information please expand the product block by pressing on image or product title. To get detailed information about specific product you can download Technical datasheet file by clicking corresponding link.

Check Valves

Free flow is a one-way street with Comatrol reliable check valves for optimal delivery of hydraulic power to your vehicle functions. Comatrol offers flow and pressure capabilities of 3-380 l/min (0.8-100 US gal/min) and up to 350 bar (5,080 psi), respectively.

Threaded Cartridge

 

Available in standard or reverse flow logic. Standard check valves, suitable for most applications, have fully guided poppets which always block. Reverse flow check valves, useful for higher pressure applications or where housing or size constraints require this flow path are also available.

 

 

 

 

Slip-In

 

Slip-in style check valves are cartridges that drop into small cavities and are retained by SAE plugs or by other cartridge valves.

 

 

 

 

In-Line

 

Also available are in-line check valves, which can be used to simplify machine plumbing.

 

 

 

 

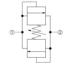
Shuttle Valves

Two inputs, one output - Comatrol shuttle valves respond to the pressure signal from the highest bidder, imparting hydraulic logic to your load-sensing system. Comatrol offer flow and pressure capabilities of 4-90 l/min (1-24 US gal/min) and up to 350 bar (5,080 ps), respectively.

Load Shuttle

 

Available in cartridge or in-line styles for high application flexibility.

 

 

 

 

Hot Oil Shuttle

 

Commonly used in closed-loop hydrostatic propel systems that require oil cooling and filtering.

 

 

 

 

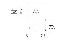
Relief Valves

Relief valves keep hydraulic circuit pressure on an even keel. Comatrol offers flow and pressure capabilities of 1-190 l/min (0.3-50 US gal/min) and up to 415 bar (6,000 psi), respectively.

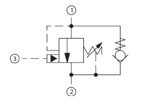
Direct Acting Relief Valves

 

Inlet pressure acts on the valve nose, providing pressure relief.

 

 

 

 

Differential Area Relief Valves

 

Improved ability to handle higher flows with a lower pressure rise rate compared to direct acting relief valves.

 

 

 

 

Pilot Operated Relief Valves

 

Low pressure rise rate for minimum horsepower losses when running at the relief setting for long periods.

 

 

 

 

Bi-Directional Relief Valves

 

Commonly used to replace two direct-acting valves, reducing system cost and complexity.

 

 

 

 

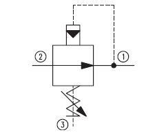
Pressure Reducing Valves

Pressure reduction in part of the circuit with no impact on overall system pressure. Available as pressure reducing/relieving or pressure reducing valves. Comatrol offers flow and pressure capabilities of 1-190 l/min (0.3-50 US gal/min) and up to 415 bar (6,000 psi), respectively.

Pressure Relieving/ Non-Relieving valves

 

Pressure reducing valves are pressure limiting devices that limit pressure in one portion of a circuit while leaving system pressure unaffected. They are available in direct-acting and pilot-operated types and as pressure reducing/relieving valves or as pressure reducing valves only.

 

 

 

 

Sequence Valves

As the name implies, sequence valves control a sequence of operations. Sequence valves usually use a pressure signal to shift a spool, thereby opening or closing a flow path at a pre-set pressure.

Sequence

 

Comatrol offers several types of sequence valves: direct-acting, pilot-operated and kick-down.

 

 

 

 

Unloading Valves

 

Another type of sequence valve that is typically used to unload a pump outlet to tank at a minimum pressure drop, resulting in higher system efficiencies with less heat generation.

 

 

 

 

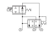
Flow Control Valves

Pressure compensated flow control valves are used to limit or regulate flow. Three basic types of cartridges are available: restrictive-type, priority-type, and divider/combiner type. Combination valves in manifolds for additional features such as fully adjustable flow or free reverse flow are also available.

Need Valves

 

Non-compensated manual flow control for an actuator or for bleeding oil from the circuit.

 

 

 

 

Restrictive Flow Control Pressure-Compensated

 

Commonly used for meter-in or meter-out circuits to control actuator speeds, for example in load-lowering applications.

 

 

 

 

Bypass Flow Control Pressure-Compensated

 

Commonly used to direct fixed flow to a priority function or circuit, while making secondary flow available to other intermittent functions or the tank.

 

 

 

 

Flow Divider/Combiners

 

Commonly used for combining (forward) and dividing (reverse) flow to hydraulic wheel motors or synchronizing cylinder motion.

 

 

 

 

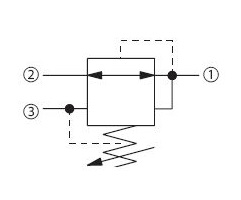
Velocity Fuses

 

Designed to allow free flow in both directions. If flow exceeds the ‘trip point' in one direction (lowering), the valve shifts to stop or greatly reduce the flow.

 

 

 

 

Pilot Operated Valves

Your load is secure with Comatrol pilot operated check valves. Designed to keep a hold on loads, these on/off valves only release their grip when a pilot pressure signal is applied to the pilot port. Company offers flow and pressure capabilities of 12-250 l/min (3-66 US gal/min) and up to 350 bar (5,080 psi), respectively.

Pilot-To-Open

 

Integrated design that allows free flow in one direction, blocks flow in the opposite direction, but can be piloted from a third port to open the blocked direction.

 

 

 

 

Pilot-To-Close

 

Integrated design that allows free flow in one direction, blocks flow in the opposite direction, but can be piloted from a third port to block in both directions.

 

 

 

 

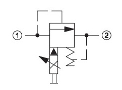
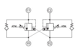
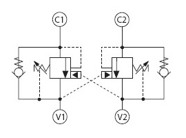
Counterbalance Valves

Comatrol counterbalance valves keep your vehicle's load under smooth control even in the event of a hydraulic failure or leakage. Thanks to their modulated response to pilot pressure signals, these valves always put safety first.

Hydraulic Vent

 

Standard hydraulic vent, where the spring is vented to tank.

 

 

 

 

Atmospheric Vent

 

Atmospheric vent, where the spring is vented to atmosphere when the tank pressure is high and pressure setting critical.

 

 

 

 

Solenoid Valves

Intelligent control is in easy reach with PLUS +1 compliant solenoid valves. This electrically-operated range of on-off poppet or spool-type valves is made for your load-holding, blocking or directional control applications.

2-Way, Poppet, Piloted

 

Two-way "normally open" or "normally closed" valves with free reverse flow option.

 

 

 

 

2-Way, Poppet, Double Blocking

 

Typically used as directional controls for single-acting cylinders or unidirectional motors where low-leakage, low-flow load holding is required.

 

 

 

 

2-Way, Spool

 

Commonly used for pump unloading and cylinder regeneration.

 

 

 

 

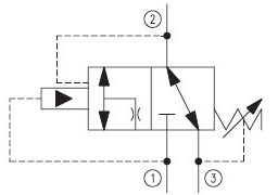
3-Way, 2-Position, Poppet

 

Commonly used for control of single-acting cylinder, clutch or brake, circuit selector valve, or pilot for a large directional spool valve where low leakage is a must.

 

 

 

 

3-Way, 2-Position, Spool

 

Commonly used for control of single-acting cylinder, clutch, or brake, circuit selector valve, or pilot for a large directional spool valve.

 

 

 

 

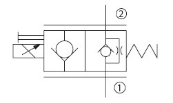
4-Way, 2-Position, Spool

 

Commonly used for directional control of motors or cylinders. Used in combination to duplicate a four-way, three-position valve, creating an economical, compact and high flow function.

 

 

 

 

4-Way, 3-Position, Spool

 

Commonly used for bi-directional control of motors or cylinders, where the valve provides directional electric on/off flow control.

 

 

 

 

Proportional Valves

Flow, pressure and directional control is infinitely variable with Comatrol proportional control valves. Each electric input signal sparks a precise response. All proportional control valves have PLUS +1 compliant coils. That makes them directly compatible with PLUS+1 technology for intelligent mobile machine control.

Proportional Directional Valve

 

Commonly used for bi-directional control of motors or cylinders, where the valve provides directional electro-proportional flow control.

 

 

 

 

Proportional Pressure Reducing

 

Three-way valves providing controlled output pressure as a function of electric current, regardless of system pressure or flow (depending on valve limits). Available with or without relieving function.

 

 

 

 

Proportional Flow Control, Non-Compensated, Spool

 

Two-way, two-position spool-type valves for delivering non-compensated flow to a machine function (electrically actuated needle valve), available as "normally open" or "normally closed".

 

 

 

 

Proportional Flow Control, Non-Compensated, Poppet

 

Two-way, two-position poppet-type valves for delivering non-compensated flow and low leakage load-holding to a machine function, available as "normally open" or "normally closed".

 

 

 

 

Proportional Flow Control, Compensated, Restrictive 2-Way

 

Two-ported design providing an infinitely variable flow rate, regardless of load pressure changes in the circuit, available as "normally open" or "normally closed".

 

 

 

 

Proportional Pressure Relieving Valves

 

Two-way valves providing relief pressure as a function of electric current. Available as "normally open" (increasing pressure with increasing current) and "normally closed" (decreasing pressure with increasing current).

 

 

 

 

Proportional Flow Control, Compensated, Priority, 3-way

 

Three-ported design providing an infinitely variable flow rate to the priority port, regardless of load pressure changes in the circuit. Remaining flow is sent to the third port. Available as "normally open" or "normally closed".

 

 

 

 

Directional Control Valves

Whether manually or hydraulically actuated, Comatrol directional valves provide the exact directional and flow control your applications require.

Manual Rotary Valve

 

Available as two-way, three-way and four-way valves, used for flow or direction control.

 

 

 

 

Manual Push/Pull

 

Two-way manually-actuated valves, poppet-type, "normally closed" and available in push or pull designs.

 

 

 

 

Hydraulic Piloted

 

Available as two-way ("normally open" or "normally closed"), three-way and four-way valves, used for direction control).

 

 

 

 

Logic Elements

The multi-purpose differential sensing valves and pressure compensators in logic elements range are designed to team up with other cartridge valves - creating countless circuits for superb pressure, flow and direction control.

Differential Sensing Valves, Poppet Type

 

The valve is piloted (or vented) to function as a directional control valve, with low leakage.

 

 

 

 

Differential Sensing Valves, Spool Type

 

Three-ported design using a pressure differential across the spool to modulate the flow/pressure from ports, available in "normally open" or "normally closed" with pilot or venting to control the modulation.

 

 

 

 

Pressure Compensators, Restrictive Type

 

Three-ported design using a pressure differential across the spool to modulate the flow from ports by maintaining a constant pressure drop across an external orifice (or needle valve).

 

 

 

 

Pressure Compensators, Priority Type

 

Four-ported design using a pressure differential across the spool to modulate the flow from ports by maintaining a constant pressure drop across an external orifice (or needle valve).

 

 

 

 

Load Sense, Priority

 

Four-ported, static load sense design that provides flow from ports based on the load sense pilot pressure to the load sense port.

 

 

 

 

Cavities

Comatrol standard cavities are built to accommodate full range of cartridge valves, with relevant machining tools available for your convenience.

SAE Cavities

 

These cavities are designed around SAE standard o-ring thread ports. In many cases these cavities are interchangeable with cavities used by other manufacturers. The table below is intended as a guide for cartridge valve interchanges.

 

 

 

 

Coils

All coils for solenoid and proportional cartridge valves are robust, compact and PLUS +1 compliant.

PLUS +1 Coils

 

Comatrol offers coils for all valve sizes and in various connector types and voltages. In addition to standard range, Comatrol robust coils are made to tolerate the extremes - whether voltage, temperature or water ingression due to power spray or submersion. And, thanks to the robust coil design, there is no need for o-rings around the coil.

 

 

 

 

Other products from this manufacturer