Hydraulic Integrated Circuits - HiC'S

Comatrol has been providing customers with pre-engineered solutions with broad portfolio of Catalog Hydraulic Integrated Circuits (HIC'S). This product range includes Cross-Port Reliefs, Dual Counterbalance, Traction Manifolds, and latest family additions - Motor Mount HIC'S and Fan Drive HIC'S.

To get more information please expand the product block by pressing on image or product title. To get detailed information about specific product you can download Technical datasheet file by clicking corresponding link.

Fan Drive HIC'S

Off-highway mobile machinery OEMs and distributors can choose from six pre-engineered Hydraulic Integrated Circuits (HIC'S) designed to provide speed control and reversing for hydraulic modulating fan drive motors in open circuit hydraulic fan drive systems.

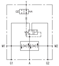
Reversing Control (RFD-xx-000)

 

Variable pump fan drive circuits provide reversing control and overpressure protection/anti-cavitation.

 

 

 

 

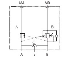
Proportional And Reversing Control (RFD-xx-PRV)

 

Fixed pump fan drive circuits provide modulating and reversing control with over-pressure protection/anti-cavitation.

 

 

 

 

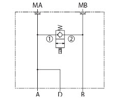
Motor Mount HIC'S

Comatrol motor mount HIC'S (Hydraulic Integrated Circuits) complement orbital motors perfectly. Use them in tandem on your motor applications, and see performance soar.

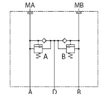
Counterbalance HIC'S

 

Typical applications include swing drives, winch drives and vehicle propulsion.

 

 

 

 

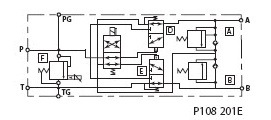
Cross-Port Relief HIC'S

 

Typical applications include vehicle propulsion, auger drives, conveyer drives and slew drives.

 

 

 

 

Bypass Solenoid HIC'S

 

Typical uses include on/off fan drives and applications that require individual motors on the same circuit to be turned off independently or motor disablement during system start-up to limit pressure losses.

 

 

 

 

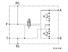
Dual Shock Valve HIC'S

 

Typical applications include vehicle propulsion, auger drives, conveyer drives and slew drives.

 

 

 

 

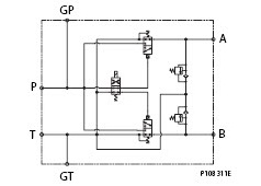
Traction Control HIC'S

You'll appreciate the strong traction control Comatrol HIC (Hydraulic Integrated Circuit) provides on vehicles where one pump drives multiple motors.

Strong Traction Control HIC'S

 

Once actuated, the HIC delivers equal flow to the motors, preventing wheel spin and excessive motor speed.

 

 

 

 

Other products from this manufacturer